25 mm (1") Non-Metallic
EODD Pump

Continuous Duty. Proven Reliability.

The 25 mm (1") Cognito Electrically Operated Double Diaphragm (EODD) Pump is engineered for efficient and dependable performance in demanding chemical environments. Lightweight, non-metallic constructions enhance portability and simplify service without sacrificing durability. This compact workhorse is an excellent choice for chemically aggressive applications where maximum energy efficiency and long-term reliability are the priority.

Technical Specifications

Performance Curve

  • Use 2 HP / 1.5 kW motor for above 2.5 AMPS
  • The performance curve is based on following: Santoprene elastomer fitted pump, flooded suction, water at ambient conditions 25°C (77°F), with Cognito Dampener
  • The performance result may deviate in excess of 5% based on elastomer
  • Performance vary based on viscosity

Cognito 1in Non-Metallic Performance Curve

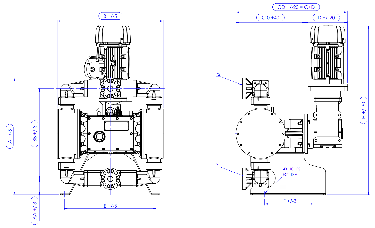
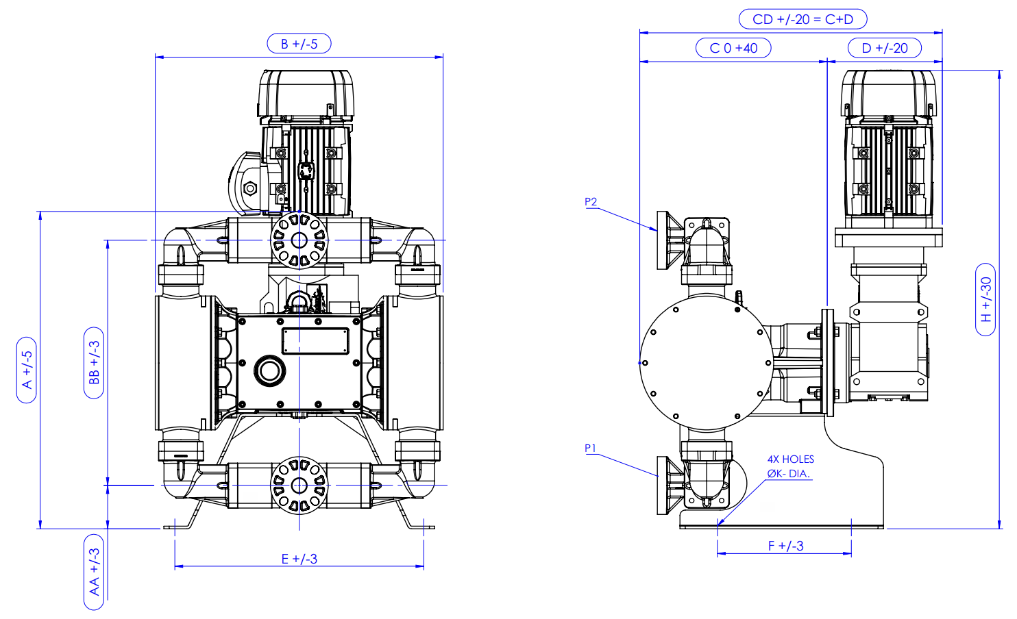
General Arrangement Drawings

Video

Easy Maintenance

Our pumps are designed for easy maintenance to minimize downtime and maximize productivity. See how simple it is to maintain your EODD pump and keep it running smoothly.

eodd-pump-maintenance
Solving Challenges

Featured Case Studies

Corrugated Paper Thumbnail

Efficient Glue Transfer for the Corrugated Packaging Industry

sanitary-industry-giant-caseStudy-thumbnail
Path 4779-1

International Sanitaryware Giant Trusts Cognito Pump to Minimize Production Wastage

tyre-manufacturing-caseStudy-thumbnail
Path 4772

Tire Manufacturer Reduces Production Line Damage

See How Cognito Can Support Your Pumping Operation

Contact an expert to learn how our electronically operated double diaphragm pumps can increase efficiency and ROI for your pumping operation.

Change Consent Preferences