38 mm (1.5") Non-Metallic
EODD Pump

Engineered for Continuous Duty Applications

The 38 mm (1.5”) Cognito Electric-Operated Double Diaphragm (EODD) Non-Metallic Pump is engineered for continuous-duty chemical transfer, safely handling a wide range of acids, bases, and caustics from sodium hydroxide to hydrogen peroxide, at pressures up to 79 PSI (5.5 bar). Integrated leak-detection probes, spill-containment chambers, and a multi-stacked diaphragm design deliver an added layer of protection when pumping hazardous chemicals.

Technical Specifications

Performance Curve

  • Use 5 HP / 3.7 KW motor for above 4 AMPS
  • For SPM 93, contact IDEX Team
  • The performance curve is based on following: Santoprene elastomer fitted pump, flooded suction, water at ambient conditions 25°C (77°F), with Cognito Dampener
  • The performance result may deviate in excess of 5% based on elastomer
  • Performance vary based on viscosity

1.5_ Non-Metallic Pump Performance Curve

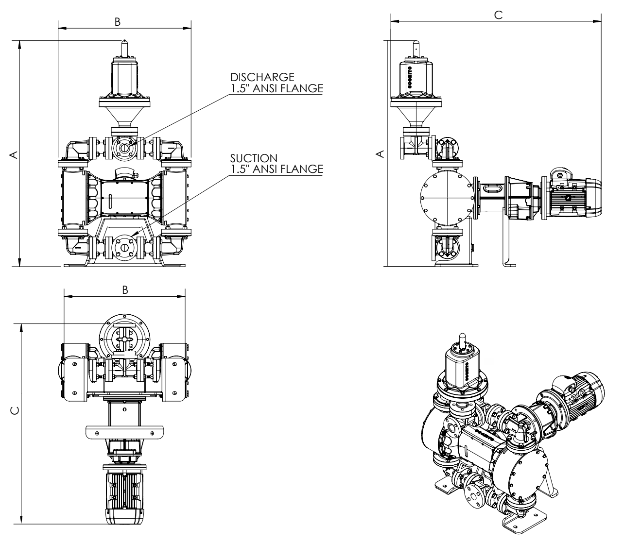
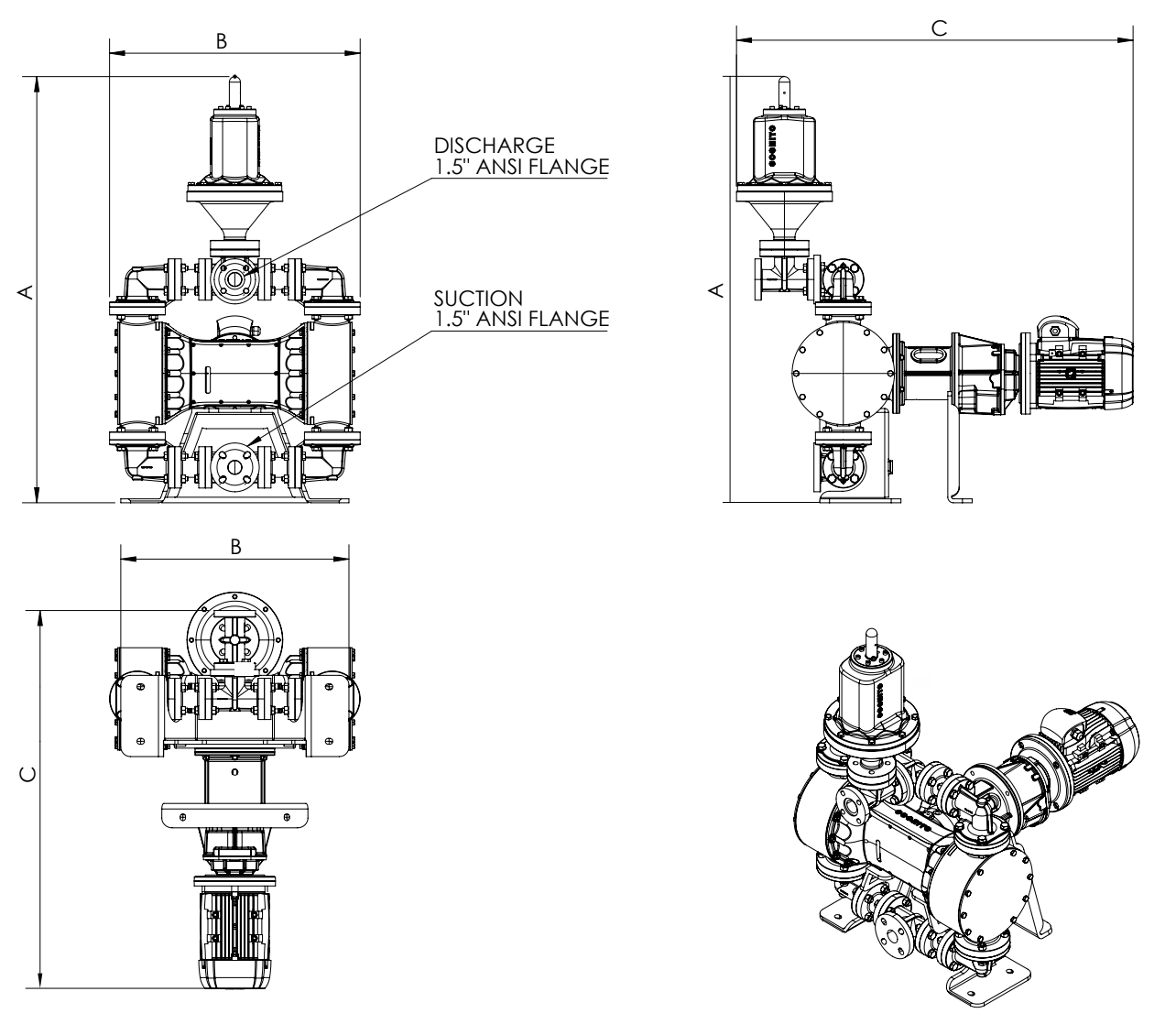
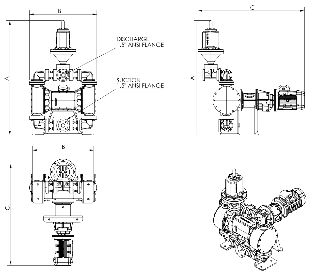
General Arrangement Drawings

Video

Easy Maintenance

Our pumps are designed for easy maintenance to minimize downtime and maximize productivity. See how simple it is to maintain your EODD pump and keep it running smoothly.

eodd-pump-maintenance
Solving Challenges

Featured Case Studies

Corrugated Paper Thumbnail

Efficient Glue Transfer for the Corrugated Packaging Industry

sanitary-industry-giant-caseStudy-thumbnail
Path 4779-1

International Sanitaryware Giant Trusts Cognito Pump to Minimize Production Wastage

tyre-manufacturing-caseStudy-thumbnail
Path 4772

Tire Manufacturer Reduces Production Line Damage

See How Cognito Can Support Your Pumping Operation

Contact an expert to learn how our electronically operated double diaphragm pumps can increase efficiency and ROI for your pumping operation.

Change Consent Preferences